
IC卡单相智能电表
10(40)A、数码管和字轮双显示、一卡通、E57卡、一表一卡、侧面刷卡、限容拉闸后刷卡恢复,本产品广泛用于校园、企业中,为校园、企业的节电工程做出了巨大贡献,逐渐成为一卡通的另一个重要终端设备。
- 技术参数
- 产品外观
- 现场图片
- 详述
技术指标
| 1、准确度等级:1.0级; |
| 2、基本电流Ib(额定最大电流Imax):5(20)A,10(40)A,15(60)A和20(80)A; |
| 3、电表常数:1600 imp/kWh 、3200 imp/kWh(详见标牌); |
| 4、参比电压:220V; |
| 5、参比频率:50Hz; |
| 6、工作电压范围:AC 220±20%V; |
| 7、功耗:<0.5W; |
| 8、环境工作条件:-20℃ ~ +55℃,相对湿度不超过85%(+25℃); |
| 9、断电情况下电能表内数据可保存10年,IC卡刷卡次数10万次以上; |
| 10、起动:在参比电压、参比频率及COSф=1.0条件下,当负载电流为0.4%Ib时,电能表采样指示灯能连续闪亮; |
| 11、潜动:电能表在施加115%额定电压,电流回路断开时,电能表采样指示灯不闪亮; |
| 12、绝缘:电能表的所有线路对表壳间能经受波形为1.2/50μs,峰值为6kV的脉冲电压,在相同极性下冲击10次,不出现电弧放电和击穿现象。电能表的线路对地绝缘经受频率为50Hz的实际正弦波形的交流电压2kV历时一分钟的试验不击穿。 |
![]() |
![]() |
![]() |
![]() |
一、简介
| DDSY201型单相电子式预付费电能表是我公司研制、生产的新一代智能化电能表,它采用高精度、高可靠性的电子式电能表集成电路,结合预付费处理电子模块而成,用以计量频率为50Hz的单相交流有功电能,各项技术指标符GB/T 17215.321—2008《交流电测量设备 特殊要求 第21部分:静止式有功电能表(1级和2级)》和GB/T 18460.3—2001《预付费电度表》的技术要求,通讯规约符合DL/T 645-1997《多功能电能表通信规约》。它采用了目前国内先进的IC卡技术和SMT工艺,具有计量准确、精度稳定、安全保密、性能可靠、功能齐全、功耗较低、操作简单等优点,是我国改革用电体制、实现用电商品化的理想产品。 |
二、工作原理及主要特点
| 2.1 工作原理 |
| 用户持非接触IC卡(简称IC卡,下同)到供电部门交费购电,供电部门用售电管理机将购电量写入IC卡中;用户持IC卡在电能表读卡感应区刷IC卡(简称刷卡,下同),电能表即可合闸供电,供电后可将卡拿走。当电能表内剩余电量等于报警电量时,电能表拉闸断电,此时用户在感应区刷卡即可恢复供电;当剩余电量为零时,电能表再次拉闸断电,用户必须再次持卡交费购电,才可以恢复用电;使用配套的上位机设备及相应的软件可以通过485总线读取电能表内的表地址、继电器状态、程序版本号、使用总量、剩余电量、购电总量、购电次数、上次购电量等有效信息;DDSYF-4WD系列的电能表配合无线远传管理系统还可以通过485总线对电表进行充值,实现IC卡预付费和网络预付费功能的综合。 |
| 2.2 主要特点 |
| A、采用非接触IC卡技术,防水、防潮、防尘、抗磨损、抗外界电磁攻击; |
| B、机械字轮和LED双显示,避免在任何情况下发生用户纠纷; |
| C、单片机及非易失性IC存储器等采用进口元器件,保证了产品的可靠性、易用性和安全性; |
| D、一表一卡,不同用户的IC卡在相互的电能表中不起作用; |
| E、不同供电部门的IC卡不能通用; |
| F、IC卡双向传递数据,通过IC卡回传表内用电数据,方便管理; |
| G、当有反接窃电时,同样记录用电,具有一定的防窃电功能; |
| H、通过485总线方式可以控制电能表的拉合闸。 |
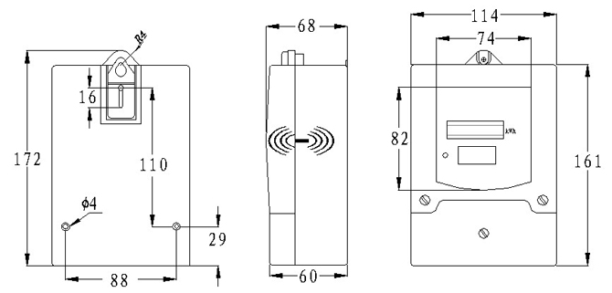
三、外形、安装尺寸及接线图
| 3.1 外形、安装尺寸 |
|
| 双显示电能表外形尺寸图 |
|
| 单显示电能表外形尺寸图 |
| 3.2 接线图 |
|
| 双显示电能表接线图 |
|
| 单显示电能表接线图 |
四、安装与使用方法
| 1、电能表应在符合工作条件的环境中安装使用,不应受到振动和冲击。在有污秽和可能损坏电能表的场所,应用保护箱保护; |
| 2、接入电能表的电压应符合工作电压范围的要求,电流不应超过额定最大电流值,应按接线图进行接线; |
| 3、电能表在出厂时留有10 kWh(度)电可供校表使用,新装用户在开户前必须用清零卡将电能表内数据清零; |
| 4、新装用户在第一次购电时,管理人员把IC卡放在管理机感应区上,由管理系统生成一张开户卡。用户持此IC卡在电能表感应区刷卡,电能表自动读取卡中数据并记录在存储芯片中,以后用户持此卡就可正常购电;DDSYF-4WD系列的电能表还可通过485总线方式实现开户和充值; |
| 5、用户每次购电后,将IC卡在电能表感应区刷一下,电能表自动识别电能表编号等信息,确认无误时读取有关数据,并自动将购电量与电能表中的剩余电量累加。必须将IC卡中购电量传送到电能表中后用户方可将IC卡拿走,否则不能再次购电; |
| 6、当电能表中剩余电量少于100kWh时,显示屏常亮,提醒用户购电。剩余电量等于报警值(20kWh)时,电能表拉闸断电,提醒用户购电,刷卡后可解除报警恢复供电。剩余电量为零时电能表将自动拉闸断电,用户必须购电方可重新恢复供电; |
| 7、可用一张空白卡检查用户已使用总量信息; |
| 8、可用检查卡检查电能表的显示和拉、合闸功能是否完好。使用检查卡时,电能表会根据继电器当前状态反动作一下(合闸的电能表将拉闸;拉闸的电能表将合闸)。刷检查卡拉(或合)闸后刷卡、停电再来电、用1度电后电能表合(或拉)闸恢复原供电状态; |
9、电能表可使用用户卡设置限容功率(充值时在软件中设置并可更改,限容功率的设置不要超过下表的范围),当用电功率大于设定的限容功率时电能表拉闸断电,刷用户卡或者检查卡恢复供电,不需要限容功能的将限容功率设置为0。DDSYF-4SYTH和 DDSYF-4WD系列的电能表在20度拉闸报警和限容拉闸报警2分钟后可自动合闸供电;
|
| 10、通过485总线方式可以设置表地址、读取表内的有效信息(未经开户不能使用485功能),并能远程控制电能表的拉合闸。DDSYF-4WD系列的电能表不仅能实现卡的预付费,而且还可以实现网络预付费功能,此系列的电能表也可以通过表地址设置卡设置或更改表地址,表地址设置成功后电能表将表地址设置卡中原地址加1,从而实现批量设置表地址。 |





